2001 Dodge Caravan

Power Sliding Door Latch Repair

 

My 2001 Dodge Grand Caravan had a problem. The driver side power sliding door stopped opening on its own. It would make all the right sounds and then unlatch the door, but not far enough so the door would open up and move back on its own. We are into our 6th year with the car. A quick bit of math suggests if we went somewhere and came back once a day everyday for the last 5 years, we've opened and closed the door at least 15,000 times. It's more likely to be double that. If I did something 15,000 times, let alone 30,000 times, I'd break too.

 

Symptoms Video

You'll need Flash 8 player or higher installed to view.

Content on this page requires a newer version of Adobe Flash Player.

Get Adobe Flash player

 

If you have one of these cars, you know the sounds the doors make very well. The click, grrrr, clunk, whinnnnnnnnnne, click. I won't even go into the sounds the power rear hatch makes. Don't misunderstand. I like the noises. You never wonder what the door is doing. You can tell by every sound what's happening. So suffice it say, mine would click and grrrr but not clunk.

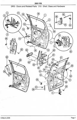
I needed to get the clunk fixed. But I knew the dealer would charge a fortune. So I decided to fix this on my own. My first step was to go the parts counter at a dealership. I was able to get a diagram of the door parts printed out. Once I saw part 19, I knew the clunk I needed was in there. The latching mechanism was a single assembly. If I had the dealer repair it, I knew they were going to replace the whole unit. So I'd be safe in ordering that part. I ordered part number 5019049-AD. This is for the LEFT driver side sliding door. Remember, the left and right doors have different part numbers for the latching mechanisms.

I took my door apart first before ordering the part to be sure I didn't need any exotic tools or something only a Dodge mechanic would have. The only tool I didn't have was a T-30 Torx/Star bolt driver. I bought one at Murray's Discount Auto in a kit of security bolt driver tips for $6.99. Once I had that, I had all the tools I needed.

I priced the part at Bob Saks Dodge in Farmington Hills, MI near where I work. They wanted $119.00 for it. I then shopped around on the 'net and found WholesaleMopar.com. They wanted $78.75. $40.00 cheaper. Same part. I found a few other wholesale OEM parts stores that had the part for a few dollars less, but their shipping was higher. Also, Randal, the gentleman I spoke to at WholesaleMopar.com was friendly and helpful unlike most of the other places I tried. Their shipping was reasonable as well, under $7 from Florida to Michigan. When the part arrived the invoice said the list price was $105.00. So my local dealer was marking up above list. Nice. There is no advantage to living within 50 miles of where the vehicle was built; Windsor, Ontario. (1/14/2008 - I've received emails from many readers saying the prices for the latches have gone up considerably. I'm hearing $141 - $150. Apparently some "know-it-all" put up a website detailing how you can fix these doors yourself. Now "the Man" can't mark up the labor so they need to get their profit from somewhere else. :-) Still cheaper than paying "the Man" for the repair job. )

 

This is what I did to repair my door. Allow yourself about 2 hours to do this.

 

First the tools

- T-30 Torx/Star bolt tip.
- Couple of flat head screw drivers and one philips.
- Pair of pliers.
- A few door trim retainer clips. You'll likely break a few.
- Automatic door latching mechanism.

Remove the bolts

The latching mechanism is held in by 3 bolts. That's it. Once these are out, the part is loose. Don't worry. It won't flop around in the door. You want to remove these bolts now because the rest of the work happens inside the car. I used a small ratchet wrench with the T-30 star bit to remove the bolts. They are on an angle and I couldn't get my drill in there without damaging the heads of the bolts.

 

On to Page 2